Double Flanged Butterfly Valve

  • Design And Manufacturing: API 609 / BS EN 593/BS 5155/IS 13095
  • Valve Face To Face Dimension: API 609 CAT. B-A / BS EN 558/BS 6755 PART – I /IS3095
  • Flange Standard Conformity: ASME B16.5 150# RF
  • Inspection & Testing: API 598 / BS EN 12266-1
  • Top Mounting Flange: ISO 5211
  • Seat Leakage: Tight Shut Off
Category:

Description

King Valves is a leading manufacturer and supplier of Double Flanged Butterfly Valve in India, renowned for its superior performance and durability. King’s Double Flanged Butterfly Valves are designed for longevity and reliable performance, especially in demanding high-pressure and high-temperature environments. As a trusted supplier across India and globally, our valves are extensively used in critical applications.

Applications

  • Water and Wastewater Treatment: Used to control and isolate the flow of water and wastewater in treatment plants and distribution systems.
  • HVAC Systems: Employed in heating, ventilation, and air conditioning systems for airflow control.
  • Industrial Processes: Utilized in various industrial processes where efficient flow control and isolation are required.
  • Pipelines: Commonly used in pipelines for transporting fluids such as oil, gas, and chemicals.

Advantages

  • Compact Size: Butterfly valves are compact and lightweight compared to other types of valves, such as gate or globe valves. This makes them ideal for applications with space constraints.
  • Quick Operation: The quarter-turn operation allows for fast opening and closing, making it suitable for applications requiring rapid response.
  • Cost-Effective: Due to their simple design and ease of manufacturing, butterfly valves are generally more affordable, especially for large-diameter pipes.
  • Low Pressure Drop: When fully open, butterfly valves provide a relatively low pressure drop, which helps in maintaining efficient flow and reducing energy consumption.
  • Versatility: They can be used for a wide range of fluids and are adaptable to various pressures and temperatures.

Reviews

There are no reviews yet.

Be the first to review “Double Flanged Butterfly Valve”

Your email address will not be published. Required fields are marked *

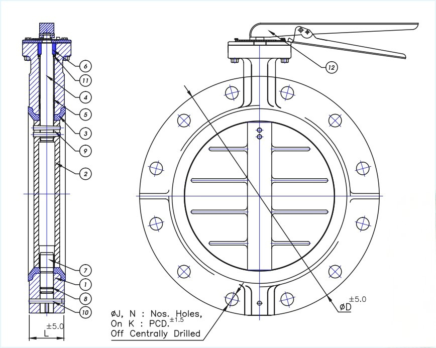
No. Description Material
1 Body C.I. / WCB / CF8 / CF8M / ALUMINUM
2 Disc C.I. / WCB / CF8 / CF8M / ALUMINUM
3 Shaft S.S.410 / S.S.304 / S.S.316
4 Seat Nitrile / EPDM / Silicon / Viton / PTFE /GFT
5 “O” Ring EPDM
6 HEX BOLT S.S.304/S.S.316
7 Operation Lever / Gear / PNEUMATIC / ELECTRICAL Actuator
8 Fastner S.S 202/S.S.304
9 Retainer M.S/CF8/CF8M

Double Flanged Butterfly Valve

SR. NO. Size A O.D. THK PCD HOLEØ NOOF HOLE
1 50mm 108 150 16.3 120.7 19.5 4
2 65mm 112 180 17.9 139.7 19.5 4
3 80mm 114 190 19.5 152.4 19.5 4
4 100mm 127 230 24.3 190.5 19.5 8
5 125mm 140 255 24.3 215.9 22.2 8
6 150mm 140 280 25.9 241.3 22.2 8
7 200mm 152 345 29 298.5 22.2 8
8 250mm 165 405 30.6 362 25.4 12
9 300mm 178 483 32.2 431.8 25.4 12
10 350mm 190 535 35.4 476.3 28.6 12
11 400mm 216 595 37 539.8 28.6 16
12 450mm 222 635 40.1 577.9 31.8 16
13 500mm 229 700 43.3 635 31.8 20
14 600mm 267 815 48.1 749.3 34.9 20