Globe Valve

BODY & BONNET                    : CAST IRON|CAST STEEL | SS 304 | SS 316 | SS 304L | SS 316L | WC6 |WC9

TRIMS                                      : 13 CR | 18 CR 8 NI

MFG STD                                 : BS 1873

TEST STD                                 : BS 6755

END CONNECTION                 : FLANGED END | BUTTWELD END

HYD TEST PRESSURE               : BODY: 425 PSIG (30 KG/CM2) | SEAT: 300 PSIG (21 KG/CM2)

SIZE RANGE                             : 25MM TO 600 MM

OPERATION                             : MANUAL | GEAR

CLASS                                      : PN 10, PN 16, ND 40, ASA 150#, 300#, 600#

Category:

Description

Established in 1992, King Valve is a trusted name in the industrial valve industry, recognized as a leading Globe Valve Manufacturer in India. With its manufacturing facility in Ahmedabad, King Valve has built a strong reputation for delivering reliable, high-performance flow control solutions for diverse industrial applications.

Our globe valves are engineered for precision, durability, and long service life, ensuring accurate flow regulation even under demanding conditions. Designed with advanced manufacturing standards, every valve undergoes rigorous quality testing to meet international norms.

Serving industries such as oil & gas, chemical, water treatment, and power generation, King Valve provides customized solutions tailored to specific process requirements. Our experienced team focuses on innovation, product consistency, and timely delivery, making us a preferred choice among clients nationwide.

With over three decades of manufacturing excellence, King Valve continues to uphold its legacy of quality, trust, and performance, setting benchmarks in the Indian valve industry as a reliable Globe Valve Manufacturer from Ahmedabad.

Reviews

There are no reviews yet.

Be the first to review “Globe Valve”

Your email address will not be published. Required fields are marked *

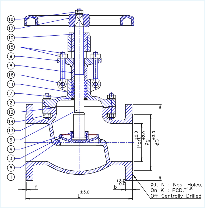
PART NO. PART NAME WCB WC6 WC9 CAST IRON CF8 CF8M
01 Body & Bonnet A 216 GR WCB A 217 GR WC6 A 217 GR WC9 IS 210 GR FG 200 A 351 GR CF8 A 351 GR CF8M
02 Disc ASTM A 217 GR CA15 A 217 GR WC6 A 217 GR WC9 ASTM A 217 GR CA15 A 351 GR CF8 A 351GR  CF8M
03 Seat Ring ASTM A 217 GR CA15 A 182 GR F11 A 182 GR F22 ASTM A 217 GR CA15 A 351 GR CF8 A 351 GR CF8M
04 Stem ASTM A 276 T-410 ASTM A 276 T-304 ASTM A 276 T 316
05 Back Seat Bushing OVERLAY
06 Gland Flange A 216 GR WCB A 217 GR WC6 A 217 GR WC9 IS 210 GR FG 200 A 351 GR CF8 A 351 GR CF8M
07 STUD & NUTS ASTM A 193 GR. B7 / ASTM A 194 GR. 2H A 193 B16,A194 GR.4/7
08 PACKING GRAPHITE RING, METALLIC WIRE REINFORCED PTFE
09 GASKET S.S.304 / S.S.316 SPIRAL WOUND GASKET WITH GRAFOIL FILLER PTFE
10 HAND WHEEL DUCTILE OR MALLEABLE IRON STAINLESS STEEL

GLOBE VALVE DIAGRAM

Sr. No. Size A B ØC ØD ØM N PCD
01 15mm 108.0 11.1 35 89.0 16 4 60.4
02 20mm 118.0 12.7 43 98.5 16 4 70.0
03 25mm 127.0 11.0 51 108.0 16 4 79.2
04 40mm 165.1 14.2 73 127.0 16 4 98.5
05 50mm 203.0 15.7 92 152.0 19 4 120.6
06 65mm 216.0 17.5 105 178.0 19 4 139.7
07 80mm 241.0 19.0 127 190.5 19 4 152.4
08 100mm 292.0 24.0 157 229.0 19 8 190.5
09 125mm 356.0 24.0 186 254.0 22 8 215.9
10 150mm 406.0 25.0 216 279.0 22 8 241.3
11 200mm 495.0 28.5 270 343.0 22 8 298.4
12 250mm 622.0 30.0 324 406.0 25 12 362.0
13 300mm 698.0 32.0 381 483.0 25 12 431.8
14 350mm 787.0 35.0 413 534.0 28 12 476.2
15 400mm 914.0 36.5 470 597.0 28 16 539.7
16 450mm 978.0 39.6 533 635.0 31.75 16 577.8
17 500mm 978.0 42.9 584 698.5 31.75 20 635.0
18 600mm 1295.0 47.7 692 812.8 35.05 20 749.3

 

(To know other class dimensions, call us on +91 98247 78623 )